
Overview
Design Features
Contractor Benefits
Customer Benefits
TransCritical CO2 Packaged System
A natural refrigerant-based refrigeration system that is safe, sustainable and energy efficient in all climates.
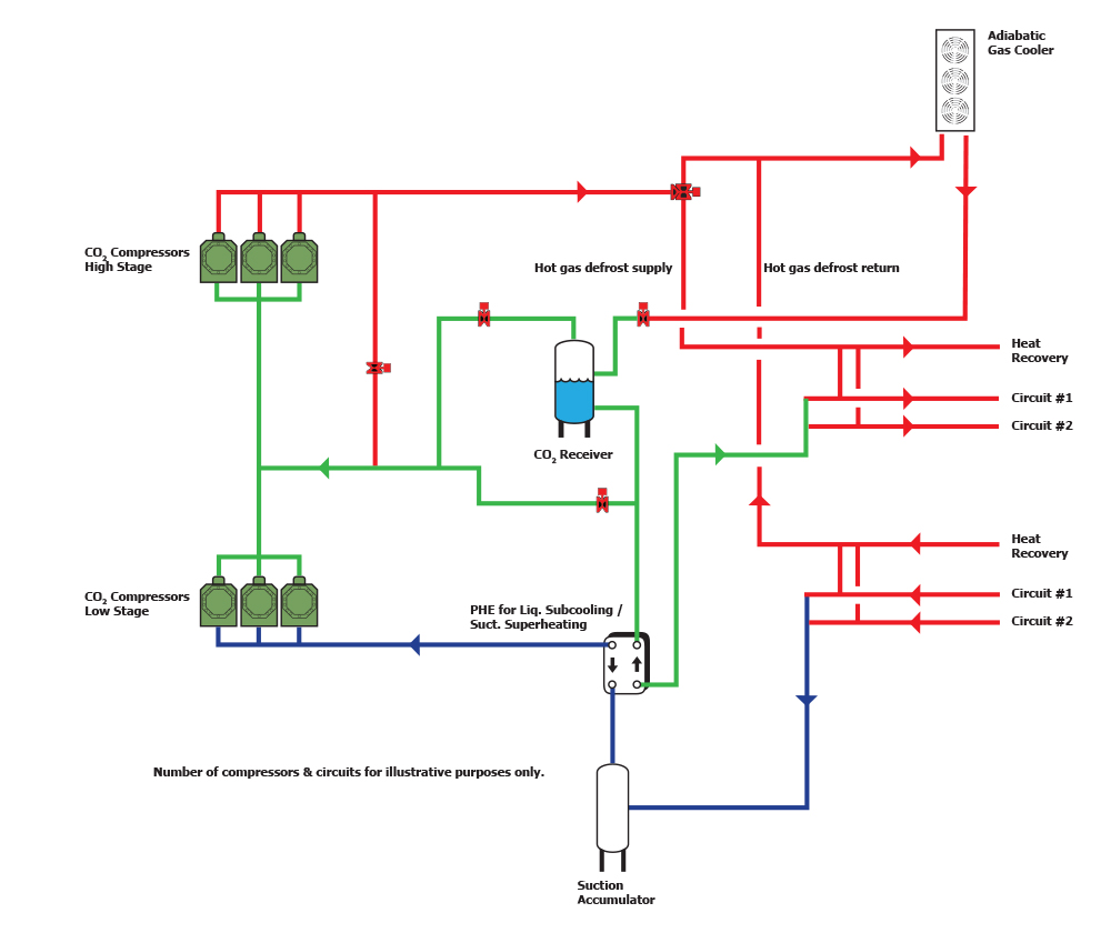
System Diagram- High pressure design eliminates a need for back-up generator and synthetic condensing unit during off-cycle
- High efficiency oil management system with multiple coalescing oil separators
- Microprocessor-based control system with supervisory HMI and cloud-based loT access
- Cooling capacities from 50 to 450 tons at -45 to 72 ºF room temperatures
- Single point power connection
- Insulated vessels and cold piping
- Power distribution to gas cooler and evaporators
- Full access doors for commissioning, start-up and service
- Regulatory cost and burden are significantly reduced
- Reduced energy cost by:
- Operating at higher suction temperatures
- Floating head pressure to 50 ºF
- Eliminating refrigerant and cooling water pump energy
- Utilizing intelligent and efficient heat recovery
- Eliminating parasitic loads associated with air purgers, oil pots, and chemical feed pumps
- Reduced cooling water usage of up to 90% based on climate zone
- Significant reduction in maintenance cost:
- No water treatment
- No sewer cost
- Semi-Hermetic compressors do not require inspections for shaft seal replacements
- Direct drive ECM fans eliminate the need for belt drive maintenance















